Våre tjenester

Vi leverer komplette audiovisuelle løsninger — fra prosjektering og design til installasjon, programmering og løpende service.

Prosjektering

Våre systemdesignere prosjekterer, tegner og beregner størrelse på skjermer, lydanlegg med kablingsstruktur til alt fra møterom, auditorier, videokonferanserom og fotballbaner.

AVC AS har systemdesignere med mange års erfaring og en bred kompetanse på prosjektering av både enkle og avanserte AV-løsninger i møterom, auditorier og rettssaler. Vi er produktuavhengige og prosjekterer den tekniske løsningen med utgangspunkt i brukerens behov og økonomi i prosjektet.

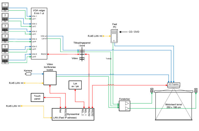
Teknisk tegning for AV-system i styrerom
Tekniker installerer AV-utstyr

Montering

Våre serviceteknikere har lang erfaring med installasjon av både store LED-skjermer, videokonferanse og små og store lydanlegg for talevarsling eller PA.

Vi er sertifisert for å jobbe på flyplasser gjennom AVINOR, nødvendig sikringskurs og arbeid i høyden er selvfølgelig ivaretatt i tillegg til alt som kreves av HMS og byggtekniske krav. Våre teknikere har også nødvendige sertifiseringer av Polycom videokonferanse, NEC, Samsung og LG sine store LED-skjermer med tilhørende kontrollere.

Programmering

Vi har erfarne programmerere med spesialkompetanse for styringssystemer som Extron, Crestron, AMX styringssystemer og lydsystemer fra Bose og Bosch.

Vi programmerer skreddersydde løsninger som gir enkel og intuitiv betjening av komplekse AV-systemer, slik at brukerne kan fokusere på innholdet i stedet for teknologien.

AV-programmering og styringssystemer

Konsulenttjenester

AVC AS har systemdesignere med mange års erfaring og en bred kompetanse på prosjektering av både enkle og avanserte AV-løsninger i møterom, auditorier og rettssaler. AVC AS er produktuavhengig og prosjekterer den tekniske løsningen med utgangspunkt i brukerens behov og økonomi i prosjektet.

Våre konsulenter prosjekterer, produktevaluerer og tegner de tekniske løsningene. Vi utarbeider kabellister, blokkdiagram, koblingsskjema og underlag for arkitekter.

Tegninger og løsninger

  • Tegning for enkle møterom
  • Tegning for større møterom
  • Tegning for styrerom
  • Tegning for undervisningsrom
  • Kabellister og blokkdiagram
  • Koblingsskjema og underlag for arkitekter

Service og vedlikeholdsavtale

Å opprettholde en stor grad av service er viktig for oss. Erfaring viser at audiovisuelt utstyr blir stadig mer virksomhetskritisk og oppetid på utstyret er en viktig faktor for et kostnadseffektivt møte.

Våre kunder vil derfor kunne knytte seg til et service- og vedlikeholdsprogram som reduserer faren for feil under drift. Service og vedlikehold er forebyggende arbeid som sikrer oppetiden på utstyret og levetiden.

Vår avtale består av:

  • Telefonsupport
  • Planlagt vedlikeholdsservice 1–3 ganger i året
  • Responstid/utrykning ved feil
  • Prioritert service for avtalekunder
  • Statusrapport på utstyret
  • Vedlikehold, test og rens av utstyr
  • Kontroll og justering av funksjoner

Klar for å komme i gang?

Kontakt oss for en uforpliktende samtale om ditt prosjekt.

Kontakt oss